 |
> DIN >
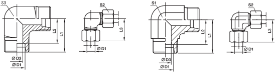
(S3), LL 4-12 D1, L 6-12 D1, S 6-12 D1
W ( EO 24°)
|
D1 |
D3 |
L1 |
L2 |
L3 |
S1 |
S2 |
S3 |
, / |
* |
PN, 1 |
|
| CF |
71 |
MS |
| LL2 |
04 |
3,0 |
15 |
11,0 |
21 |
9 |
10 |
9 |
13 |
W04LL |
100 |
100 |
63 |
|
| 06 |
4,5 |
15 |
9,5 |
21 |
9 |
12 |
11 |
15 |
W06LL |
100 |
100 |
63 |
|
| 08 |
6,0 |
17 |
11,5 |
23 |
12 |
14 |
12 |
23 |
W08LL |
100 |
100 |
63 |
|
| 10 |
8,0 |
18 |
12,5 |
24 |
12 |
17 |
14 |
32 |
W10LL |
100 |
100 |
63 |
|
| 12 |
10,0 |
19 |
13,0 |
25 |
14 |
19 |
17 |
41 |
W12LL |
100 |
100 |
63 |
|
| L3 |
06 |
4,0 |
19 |
12,0 |
27 |
12 |
14 |
12 |
29 |
W06L |
500 |
315 |
200 |
|
| 08 |
6,0 |
21 |
14,0 |
29 |
12 |
17 |
14 |
43 |
W08L |
500 |
315 |
200 |
|
| 10 |
8,0 |
22 |
15,0 |
30 |
14 |
19 |
17 |
54 |
W10L |
500 |
315 |
200 |
|
| 12 |
10,0 |
24 |
17,0 |
32 |
19 |
22 |
|
80 |
W12L |
400 |
315 |
200 |
|
| 15 |
12,0 |
28 |
21,0 |
36 |
19 |
27 |
|
81 |
W15L |
400 |
315 |
200 |
|
| 18 |
15,0 |
31 |
23,5 |
40 |
24 |
32 |
|
140 |
W18L |
400 |
315 |
200 |
|
| 22 |
19,0 |
35 |
27,5 |
44 |
27 |
36 |
|
178 |
W22L |
250 |
160 |
100 |
|
| 28 |
24,0 |
38 |
30,5 |
47 |
36 |
41 |
|
340 |
W28L |
250 |
160 |
100 |
|
| 35 |
30,0 |
45 |
34,5 |
56 |
41 |
50 |
|
458 |
W35L |
250 |
160 |
100 |
|
| 42 |
36,0 |
51 |
40,0 |
63 |
50 |
60 |
|
776 |
W42L |
250 |
160 |
100 |
|
| S4 |
06 |
4,0 |
23 |
16,0 |
31 |
12 |
17 |
14 |
52 |
W06S |
800 |
630 |
400 |
|
| 08 |
5,0 |
24 |
17,0 |
32 |
14 |
19 |
17 |
74 |
W08S |
800 |
630 |
400 |
|
| 10 |
7,0 |
25 |
17,5 |
34 |
19 |
22 |
|
97 |
W10S |
800 |
630 |
400 |
|
| 12 |
8,0 |
29 |
21,5 |
38 |
17 |
24 |
22 |
137 |
W12S |
630 |
630 |
400 |
|
| 14 |
10,0 |
30 |
22,0 |
40 |
19 |
27 |
|
145 |
W14S |
630 |
630 |
400 |
|
| 16 |
12,0 |
33 |
24,5 |
43 |
24 |
30 |
|
162 |
W16S |
630 |
400 |
250 |
|
| 20 |
16,0 |
37 |
26,5 |
48 |
27 |
36 |
|
221 |
W20S |
420 |
400 |
250 |
|
| 25 |
20,0 |
42 |
30,0 |
54 |
36 |
46 |
|
424 |
W25S |
420 |
400 |
250 |
|
| 30 |
25,0 |
49 |
35,5 |
62 |
41 |
50 |
|
603 |
W30S |
420 |
400 |
250 |
|
| 38 |
32,0 |
57 |
41,0 |
72 |
50 |
60 |
|
1010 |
W38S |
420 |
315 |
200 |
|
1) =
2) LL = ; 3) L = ; 4) S =
*, :
| |
|
|
|
| , Cr(VI) |
CF |
W16SCFX |
| . |
71 |
W16S71X |
|
MS |
W16SMSX |
|