 |
> DIN >
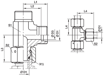
X1) . OR
EL ( EO 24° / EO 24° DKO)
|
D1 |
D3 |
L1 |
L2 |
L3 |
L4 |
S1 |
S2 |
, / |
* |
PN, 1 |
|
| CF |
71 |
| L3 |
06 |
4 |
19 |
12,0 |
26,0 |
27 |
12 |
14 |
44 |
EL06LOMD |
500 |
315 |
|
| 08 |
6 |
21 |
14,0 |
27,5 |
29 |
12 |
17 |
53 |
EL08LOMD |
500 |
315 |
|
| 10 |
8 |
22 |
15,0 |
29,0 |
30 |
14 |
19 |
68 |
EL10LOMD |
500 |
315 |
|
| 12 |
10 |
24 |
17,0 |
29,5 |
32 |
17 |
22 |
95 |
EL12LOMD |
400 |
315 |
|
| 15 |
12 |
28 |
21,0 |
32,5 |
36 |
19 |
27 |
151 |
EL15LOMD |
400 |
315 |
|
| 18 |
15 |
31 |
23,5 |
35,5 |
40 |
24 |
32 |
233 |
EL18LOMD |
400 |
315 |
|
| 22 |
19 |
35 |
27,5 |
38,5 |
44 |
27 |
36 |
309 |
EL22LOMD |
250 |
160 |
|
| 28 |
24 |
38 |
30,5 |
41,5 |
47 |
36 |
41 |
436 |
EL28LOMD |
250 |
160 |
|
| 35 |
30 |
45 |
34,5 |
51,0 |
56 |
41 |
50 |
666 |
EL35LOMD |
250 |
160 |
|
| 42 |
36 |
51 |
40,0 |
56,0 |
63 |
50 |
60 |
1163 |
EL42LOMD |
250 |
160 |
|
| S4 |
06 |
4 |
23 |
16,0 |
27,0 |
31 |
12 |
17 |
65 |
EL06SOMD |
800 |
630 |
|
| 08 |
5 |
24 |
17,0 |
27,5 |
32 |
14 |
19 |
84 |
EL08SOMD |
800 |
630 |
|
| 10 |
6 |
25 |
17,5 |
30,0 |
34 |
17 |
22 |
118 |
EL10SOMD |
800 |
630 |
|
| 12 |
8 |
29 |
21,5 |
31,0 |
38 |
17 |
24 |
136 |
EL12SOMD |
630 |
630 |
|
| 14 |
9 |
30 |
22,0 |
35,0 |
40 |
19 |
27 |
173 |
EL14SOMD |
630 |
630 |
|
| 16 |
12 |
33 |
24,5 |
36,5 |
43 |
24 |
30 |
260 |
EL16SOMD |
630 |
400 |
|
| 20 |
16 |
37 |
26,5 |
44,5 |
48 |
27 |
36 |
375 |
EL20SOMD |
420 |
400 |
|
| 25 |
20 |
42 |
30,0 |
50,0 |
54 |
36 |
46 |
655 |
EL25SOMD |
420 |
400 |
|
| 30 |
25 |
49 |
35,5 |
55,0 |
62 |
41 |
50 |
906 |
EL30SOMD |
420 |
400 |
|
| 38 |
32 |
57 |
41,0 |
63,0 |
72 |
50 |
60 |
1472 |
EL38SOMD |
420 |
315 |
|
1) =
3) L = ; 4) S =
*, :
| |
|
|
|
( . . ) |
| , Cr(VI) |
CF |
EL16SOMDCF |
NBR |
| . |
71 |
EL16SOMD71 |
VIT |
|